Pístové čerpadlo Rexroth KFA 80 - R902077430
Kód: R902077430Detailní popis produktu
Čerpadlo A17FO je k dispozici ve velikostech: 23 | 32 | 45 | 63 | 80 | 107 ccm/ot. Jmenovitý tlak je 350 bar, maximální tlak je 350 bar.
Mezi další vlastnosti axiálního pístového čerpadla Bosch Rexroth A17FO patří:
Příruba a hřídel určená pro přímou montáž na pomocný náhon užitkových vozidel
Hmotnostně optimalizované pouzdro z hliníkového odlitku
Není nutné vypouštěcí potrubí
Jednoduché nastavení směru jízdy
Vynikající sací výkon
Vysoká celková účinnost
Dlouhá životnost
Příruba a hřídel pro přímé připojení na vedlejší výstup užitkových vozidel
Snadné přizpůsobení směru otáčení pohonu
Vysoká samonasávací schopnost
Není nutné žádné únikové vedení
Snížená hlučnost
Doplňkové parametry
| Kategorie: | Pístová čerpadla Rexroth KFA / A17FO |
|---|---|
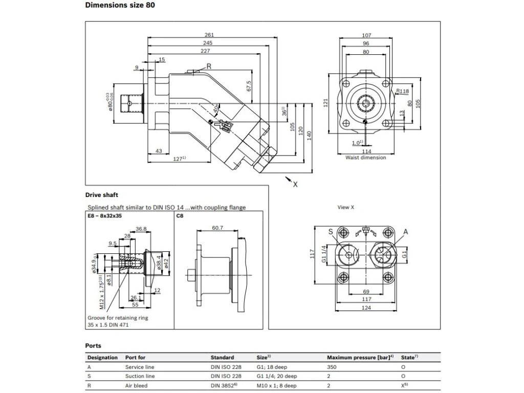
| ? Objem: | 80 L |
| ? Pracovní tlak: | 300 BAR |
| ? Příruba: | ISO 8x32x36 |
| Sací připojení: | G 1 1/4 |
| Tlaková přípojka: | G 1" |
Buďte první, kdo napíše příspěvek k této položce.
Přidat komentář
