PÍSTOVÉ ČERPADLO, F2-70/70-L, 68CM³/OT.PARKER F2 TWIN-FLOW - 3784071
Kód: 3784071Související produkty
Detailní popis produktu
Dvouokruhové čerpadlo Twin-Flow70+70 doplnilo již dlouhodobě
používanou řadu dvouokruhových čerpadel 53+53 a 40+40. Čerpadlo je vhodné pro
použití na nejvýkonnějších hydraulických rukách, které se používají v lesním a
kovošrotovém průmyslu.
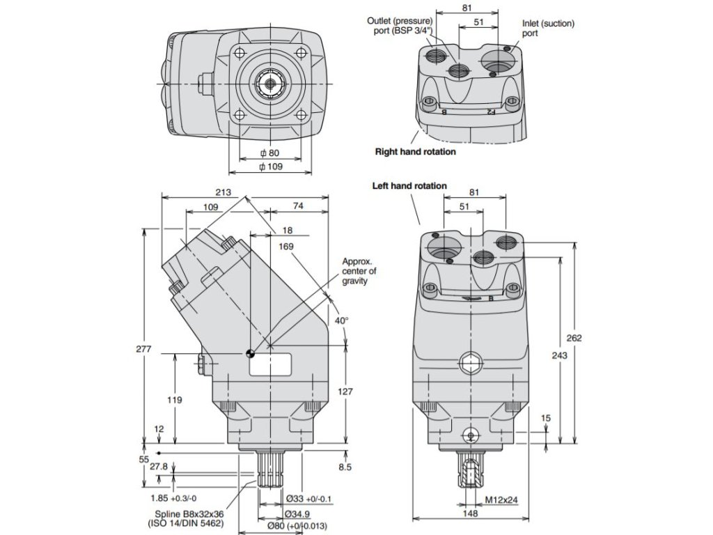
Jednosměrné dvouokruhové lomené pístové čerpadlo má dva nezávislé výstupy o
výtlaku70+70 cm3
/ot. a tlaku až 300 Bar při plném zatížení obou výstupů při 1800
ot/min.
Čerpadla díky svým rozměrům lze instalovat i ve stísněných prostorech. Například když
čerpadla jsou montovány na přímé PTO a na vozidle je kardanový kříž s většími
rozměry.
Doplňkové parametry
| Kategorie: | Hydraulická čerpadla |
|---|---|
| ? Objem: | 70/70 cm³ |
| ? Pracovní tlak: | 300 BAR |
| ? Příruba: | ISO |
| ? Velikost tlakového otvoru: | 2x G 3/4" |
| ? Velikost sacího otvoru: | Ø58 mm |
| ? Rotace: | levá |
Buďte první, kdo napíše příspěvek k této položce.
Přidat komentář
