PÍSTOVÉ ČERPADLO Parker , F1-81-L, 81,6CM³/OT. - 3781081
Kód: 3781081Související produkty
Detailní popis produktu
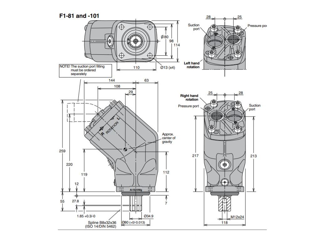
Čerpadla řady PARKER F1 jsou určena pro ty nejnáročnější aplikace zejména pro hydraulické nakládací jeřáby HNJ a mnoho tunové nosiče kontejnerů.Čerpadla jsou jednosměrná s možností změny rotace.
Serie F1 je v objemu 25 až 101L /min. Maximální povolené otáčky jsou 1500-2300ot/min. Pracovní tlak 350-450 Bar.1
Tělo čerpadla má speciálně zeštíhlené linie tak, aby bylo možné namontovat čerpadlo na PTO vedle kardanu, neboť spodní i boční stěny nepřesahují obrys příruby čerpadla a ješte navíc jsou prostorově vybrány tak, aby vybrání nekolidovalo s přírubou kardanu.
Jedná se o ISO čerpadla určená pro montáž na 4-dírovou přírubu DIN 5462 s 8-mi drážkovou hřídelí o rozměrech 8x32x35mm.
Doplňkové parametry
| Kategorie: | Pístová čerpadla PARKER - F1 |
|---|---|
| ? Pracovní tlak: | 400 Bar |
| ? Příruba: | ISO |
| ? Objem: | 81 cm³ |
| ? Rotace: | levá |
| ? Velikost tlakového otvoru: | G 1" |
| ? Velikost sacího otvoru: | Ø58 mm |
Diskuze
Buďte první, kdo napíše příspěvek k této položce.
